China-EMU努力收录更准确的中国动车组参数,高速铁路/城际铁路/城市轨道交通数据,但本站不是中国铁路官网,也不是中国中车公司官网,也不是地铁官网。历经多年的发展,中国动车组列车已经拥有很完备的产品系列,那么动车组都有哪些型号呢?和谐号目前有CRH1、CRH2、CRH3、CRH5、CRH380A、CRH380B、CRH380C、CRH380D,复兴号目前有CR400AF智能、CR400BF智能、CR400AF、CR400BF、CR300AF、CR300BF、CR200J-A、CR200J-B、CR200J-C、CR200J-D、CR200JS-G,城际市域动车组有CRH6A、CRH6F,没有CRH6S,还有CJ2、CJ3、CJ5、CJ6等,同时还有NDJ3。地铁列车也是动车组哦。高铁和动车都有哪些区别?它们是完全不一样的。中国动车组,动车组参数,中国高铁,中国高速铁路,城际铁路,城市轨道交通,复兴号,和谐号,动车组技术,不是中国铁路官网,不是中国中车官网,CR400,CR300,CR200,CR450,CRH380,CRH,Cinova,China-EMU,ChinaEMU,高铁类型,高铁都有哪些型号,高铁都有那些型号,动车组都有哪些型号,中国都有哪些动车组,动车和高铁,中国动车组的动车组参数,中国动车组大全,中国动车组所有型号,中国动车组列表,中国动车组发展史,中国动车组发展历程,本页面是
动车组
线路
旅程
话题
图 / 捧一池星光

CRH5E

2015年12月问世 共2组

主页
动车组列车
CRH5-NG系列
CRH5E
多语言内容测试中…
CRH5E动车组2015年12月问世,属于CRH5-NG系列,10M6T编组,列车全长418.7 m,设计速度250 km/h,最高实验速度275 km/h 。

CRH5E EMU Train was born in 2015/12, belongs to the CRH5-NG series, 10M6T in marshalling, the hole length is 418.7 m, has a maximum design speed of 250 km/h, and 275 km/h in the experiment .

電車の型番ですCRH5E, 2015年12月に誕生しました,CRH5-NG系列に属します,列車の編成はこうです10M6T, 列車の全長は418.7 メートルです, 設計速度は250 km/hですが,実験での最高速度は275 km/h でした 。

CRH5E动车组,是由长春轨道客车股份有限公司在CRH5A型动车组、CJ1型动车组的基础上研制的耐高寒抗风沙的长编组卧铺动车组。

发展历程

2015年12月20日,CRH5E首列CRH5E-5201抵达北京环形铁道进行测试。

2016年11月18日,CRH5E获得国家铁路局颁发的型号合格证和制造许可证。

2016年12月,该车曾计划配属哈尔滨局集团,开行哈尔滨至上海的车次,但因各种原因未能开行。

2019年01月05日至2021年06月11日期间,开行D335/6(北京-青岛北)。2021年06月25日起,CRH5E开行乌鲁木齐-西安北的D2701/8次。

技术特征

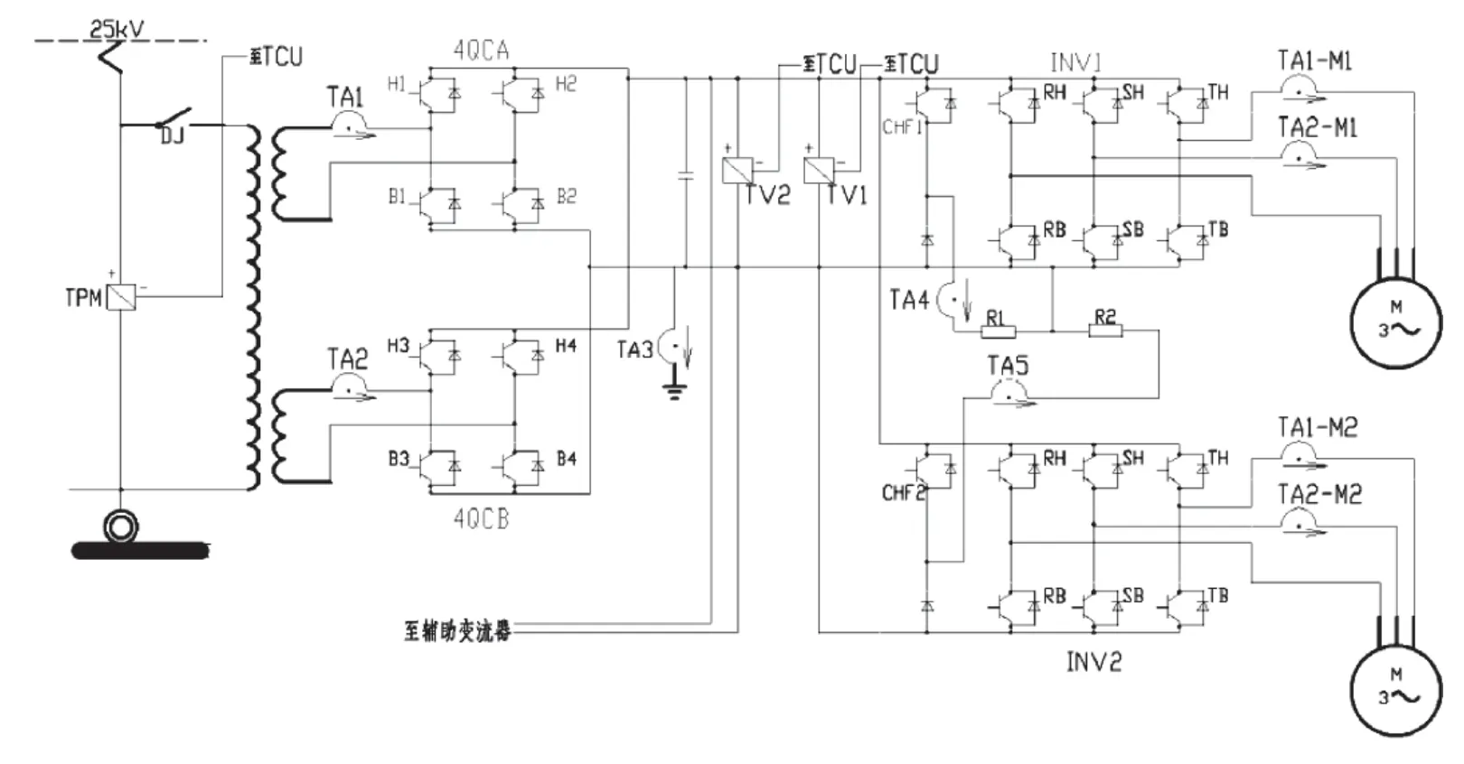
CRH5E是一款可以在高寒和风沙条件下运行的卧铺动车组,能够满足在±40℃的温度下运营,列车可靠性、舒适型、安全性都达到业界较高水平。CRH5E具有抗侧风优势,即使外面狂风呼啸,乘客在车厢内也不会感到明显的晃动。为确保安全,列车还配置了当时世界上最先进的故障诊断和远程监控系统,通过各种传感器对列车的关键系统和部位的温度、速度、加速度、压力、绝缘性能等进行实时监控,可实时根据限定数值进行自动控制列车运行速度,做到安全出行。除此以外,列车还将全车覆盖WiFi。下层卧铺是抽拉式结构,具备“座卧两用”功能,可灵活转换为座位,作为座位使用时,可将床铺的一部分宽度折起作为靠背的一部分,同时还提供扶手,而作为卧铺使用时又可恢复床铺宽度,使得动车组既可在夜间以卧车运营,也能在日间以卧代座的形式运营,每个下铺可以作为三个座位使用,提高了卧铺动车组的利用率,也提高乘坐舒适性。列车采用YJ87A1电机,牵引-辅助变流器型号为YGZN2Q213A,其主要参数与CRH5G相同。每节车厢有3个卫生间,可以减少排队等候的时间,洗手盆也设置了2个。同时,车厢内设有火灾自动报警系统,列车可根据情况自动降速和自动停车,确保旅客的乘车安全。

招标信息

2018年09月07日(2018TDDC-2-250LW)按样车购买。

图 / Aiklld2364
外观
图 / 中华门的西柚
外观
最后的CRH5E动卧D335/6次京青动卧列车终末之旅
到bilibli查看 洛洛洛洛洛洛鸽子 / 2021年06月13日
耐高寒
≤-40℃
抗风沙
>11级风+沙尘
高海拔
>3000 m
主要技术参数
速度
250 km/h
设计速度
250 km/h
运营速度
275 km/h
最高实验速度
外观
10M6T
编组
418.7 m
全长
3300 mm
宽度
4050 mm
车体高度
28100 mm
头车长度
27350 mm
头车车钩中心距
25900 mm
中间车车钩中心距
25000 mm
中间车车体长度
19000 mm
转向架中心距
2700 mm
转向架轴距
890/810 mm
新轮轮径(动/拖车)
1025 mm
车钩中心高度
950 mm
中间车钩高度
17 t
最大轴重
999.9 t
最大质量
927.3 t
整备质量
动力
YJ87A1 × 20
电机型号
568 kw
电机额定功率
11360 kw
装机功率
11000 kw
轮周功率
YGZN2Q213A
牵引系统
性能
1.8 km/h/s
标定启动加速度(非实际运用情况)
145 m
通过最小曲线半径
160 + 10 + 160 m
通过最小S型曲线半径
-40~50
工作温度
控制
TCN(WTB+MVB)
列车网络
CTCS2-200C LKJ2000
列控系统
更多
XP55
踏面类型
停放制动
DSA250
受电弓型号
22.5 ~ 29 kV
正常运行网压
4592 / 6922 mm
落弓/最大高度
4868 ~ 6722 mm
受电弓工作高度
DC24 V
蓄电池电压
3NAC380V
外接电源电压
内饰
图 / 幺三铁线
图 / 幺三铁线
图 / 幺三铁线
图 / 幺三铁线
图 / 幺三铁线
服务设施
Air Condition
空调
AC 220v
电源插座
USB
充电插座
餐吧
餐饮服务场所
热饮用水
电茶炉
卫生间
座便/蹲便
编组与席位
16
全列编组

642
全列定员
01车 Mc(A1) ZE (55)
02车 M(A1) WR (40)
03车 Tp WR (40)
04车 M(A1) WR (40)
05车 T WR (40)
06车 Tp WR (40)
07车 M(A1) WR (40)
08车 M(A1) WR (40)
09车 M(A1) WRC (12)
10车 M(A1) WR (40)
11车 Tp WR (40)
12车 M(A1) WR (40)
13车 T WR (40)
14车 Tp WR (40)
15车 M(A1) WR (40)
16车 Mc(A1) ZE (55)
席位及数量
110
二等座
china-emu.cn
532
一等卧
china-emu.cn
(统型)
厂商及批次
中车长春轨道客车股份有限公司
2组 CRH5E-5201~5202
 
示意图为自动生成,仅供参考。
* M:动车;Mc:动车,控制车;Mp:动车带受电弓;T:拖车;Tc:拖车,控制车;Tp:拖车带受电弓
* ZE:二等座车;ZY:一等座车;ZS:商务座车;ZET:二等/特等座车;ZES:二等/商务座车;ZYT:一等/特等座车;ZYS:一等/商务座车;ZEC:二等座车/餐车;WR:软卧车;WE:二等卧车;WY:一等卧车;WG:高级软卧车;WRC:软卧车/餐车;CA:餐车
配属
进行学术研究建议查阅原文内容。 查看全部…

主要参考文献

[1] 顾秀江,杨玺,解鹏.CRH5G型高寒动车组牵引辅助变流器研制[J].电子测试,2018(10):34-35.

相关文献

[2] 槐孝纪,程路明,黄鹏程,等.高效能永磁牵引电机新型电磁材料的应用研究[J].电机技术,2025,(02):29-32+37.
[3] 全国轨道交通电气设备与系统标准化技术委员会(SAC/TC 278).轨道交通电子设备 列车通信网络(TCN) 第4-1部分:基于绞线式列车总线(WTB)的列车通信网络试验方法:GB/T 28029.13-2025[S].中国标准出版社,2025.
[4] 李秋泽,单巍,张英春等.中国高速动车组转向架技术发展及展望[J].机车电传动,2023(02):14-35.
[5] 刘翰林,杨志刚,吴雨薇,等.250~400 km/h高速列车气动声学性能的仿真研究[J].铁道科学与工程学报,2023,20(09):3242-3250.
[6] 罗春晓.中国高铁动车组巡览[M].中国铁道出版社有限公司,2022.
[7] 张洁,ADAMU Abdulmalik,苏新超等.转向架区域简化对高速列车气动性能的影响(英文)[J].Journal of Central South University,2022,29(05):1717-1734.
[8] 任尊松,赵宇嘉,李玉怡,等.高速动车组转向架牵引制动载荷及损伤特征研究[J].机械工程学报,2022,58(12):151-158.
[9] 丁叁叁,陈大伟,刘加利.中国高速列车研发与展望[J].力学学报,2021,53(01):35-50.
[10] 李和平,严霄蕙.70年来我国铁路机车车辆制动技术的发展历程(续)[J].铁道机车车辆,2019,39(06):16-31.
[11] 李田,秦登,邹栋等.高速受电弓开闭口运行气动特性及对比研究[J].机械工程学报,2020,56(04):177-184.
[12] 李和平,严霄蕙.70年来我国铁路机车车辆制动技术的发展历程[J].铁道机车车辆,2019,39(05):25-35.
[13] 孙中央.列车牵引计算实用教程[M].北京:中国铁道出版社,2019.
[14] 唐明赞,熊小慧,钟睦等.高速列车外风挡安装间距对风挡气动特性的影响[J].铁道科学与工程学报,2019,16(04):850-859.
[15] 罗一童.中国火车大图集[M].中国铁道出版社有限公司,2019
[16] 冯江华.轨道交通永磁电机牵引系统关键技术及发展趋势[J].机车电传动,2018(06):9-17.
[17] 中华人民共和国铁道行业标准.TB/T 1407.1-2018.
[18] 中国铁路总公司运输局机务部.铁路机车概要——交流传动内燃、电力机车[M].北京:中国铁道出版社,2017.
[19] 梁炜昭,黄孝亮,尚红霞.动车组构造[M].北京:北京交通大学出版社,2017.
[20] 黄成荣.机车动力学若干问题研究[D].中国铁道科学研究院,2015.
[21] 中国铁路总公司.动车组闸片暂行技术条件:TJ/CL 307—2014[S].2014.
[22] 中国铁路总公司.动车组制动盘暂行技术条件:TJ/CL 310—2014[S].2014.
[23] 于梦阁,张继业,张卫华.横风下高速列车流线型头型多目标气动优化设计[J].机械工程学报,2014,50(24):122-129.
[24] 鲍维千,机车总体与转向架[M].北京:中国铁道出版社,2010.
同系列车型

简要说明:
本站并非CR或者CRRC官网,内容不代表官方,不会严格执行官方命名方式/分类等,若与官方不一致,不属于错误。本站无法保证数据的准确性,亦无法保证数据的时效性。本站所有动车组萌化头像均获得著作权,未经授权不得进行未署名的转发或进行二次创作。本站目前不接受任何形式的图片、视频投稿。不得将本站内容以截图、录屏等形式用于包括但不限于抖音、快手、西瓜视频、头条等视频创作。更多内容参见关于本站

一点点不一样的

在下面可以看到更多内容…

本站已运行4139天。

用脚步丈量每一寸轨道,
用心灵享受每一段旅程

列车开往的方向并不重要,
重要的是窗外的风景和看风景的心情。
处在嘈杂的动态中,
却是静而细腻的心思。

慧伊创新 © 2014-2025