动车组
线路
旅程
话题
CRH6F-A - 动车组列车 - 记录高速动车组列车及城市轨道交通列车发展历程 —— 慧伊创新科技(北京)有限公司
图 / HXD3CA7501

CRH6F-A

2017年09月问世 共33列

主页
动车组列车
Cinova系列
CRH6F-A

CRH6F-A是我国首款4辆编组的时速160 km/h的城际动车组,标志着我国城际动车组已形成谱系化,4辆编组能够有效降低采购成本,拉低市域铁路的门槛,使更多城市迈入市域铁路时代。CRH6F-A已经在全国多地投入运营,采用各地不同的丰富多彩的定制化涂装,已经成为各地美丽的风景。

2017年05月19日,绍兴轨道交通集团向中车集团青岛四方公司预订3组4辆编组动车。

2017年09月09日,首列4辆编组的CRH6F-A完成厂内的动态调试,在中车青岛四方机车车辆股份有限公司下线(0003)。

2018年03月24日,绍兴轨道交通集团3组CRH6F-A交付,投入绍兴市域铁路运营,分别命名为“兰亭号”“鉴湖号”“稽山号”(0440-0442)。

2018年04月29日,宁波余姚城际铁路增购的1组CRH6F-A交付,投入宁波市域铁路运营,列车命名为“明阳号”(0443,原样车CRH6F-A-0003)。

2019年01月05日,长株潭城际铁路增购的6组CRH6F-A逐步投入运营(0445-0450)。

2019年07月01日,海口市域铁路开通运营,使用7组CRH6F-A动车组,分别为7种涂装(0461-0467)。

2019年12月30日,连云港市域铁路开通运营,使用3组CRH6F-A动车组(0468-0470)。

2020年05月,阳泉市域铁路的3组CRH6F-A动车组交付。

2020年06月,北京市郊铁路S5线招标6组4辆编组动车组,CRH6F-A中标。

2020年09月24日,阳泉市域铁路(阳大铁路)开通运营(0471-0470)。

2020年09月30日,北京市郊铁路S5线CRH6F-A动车组正式投入运营(0491-0496)。

2020年07月,海口市域铁路增购两组CRH6F-A,开行至澄迈的市域列车(0497-0498),2021年11月投入运营。

台州市域铁路采购2组CRH6F-A动车组(0499-0500,0500后改为0211)。

2021年04月01日,珠三角城际轨道交通招标采购30列CRH6型四编组动车组,其中7组为CRH6F-A,该车为新一代CRH6系列,与之前CRH6F-A进行优化升级(见CRH6F-A智能版)。

图 / 京彩上铁
外观
图 / 董邱迪
海口市域铁路CRH6F-A-0461
图 / 董邱迪
海口市域铁路CRH6F-A-0462
图 / 董邱迪
海口市域铁路CRH6F-A-0463
图 / 董邱迪
海口市域铁路CRH6F-A-0464
图 / 董邱迪
海口市域铁路CRH6F-A-0465
图 / 董邱迪
海口市域铁路CRH6F-A-0466
图 / 董邱迪
海口市域铁路CRH6F-A-0467
图 / Aiklld2364
海口市域铁路CRH6F-A-0497/8
图 / HXD3CA7501
阳泉市域铁路CRH6F-A
图 / Leooo_young
(原)连云港市郊铁路列车
图 / 洛洛洛洛洛洛鸽子
台州市郊铁路列车

CRH6F-A不同批次列车存在一定的区别,大部分CRH6F-A采用中车时代牵引系统,0440采用永电捷通YGZN2Q255B。

牵引系统

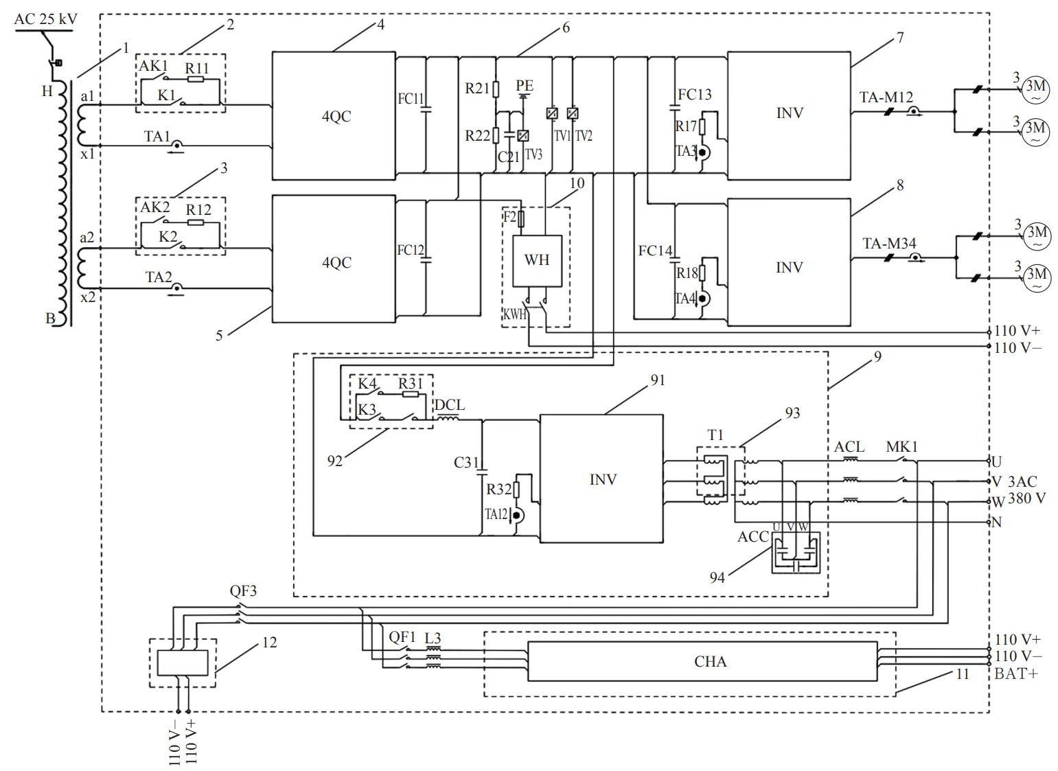
主辅一体化模式的牵引系统辅助变流器集成在主变流器柜体中,辅助逆变模块由主变流器中间直流环节取电,主变流器中间电压大于1500 V,因此在辅助逆变器后端需要增加降压的辅助变压器,滤波后输出三相AC 380 V。主辅一体化模式牵引系统辅助变流设备的冷却、散热等都可以与主变流器共享,同时辅助变流器不需要设置单独的辅助绕组,也不需要单独设置四象限变流器,因此设备的体积、重量等大幅降低。主辅一体化模式下,列车电制动时辅助变流器可以直接从中间直流环节取电,维持辅助系统正常工作,当动车组进入过分相区间时,主辅分离模式的辅助变流器无法工作,但主辅一体化模式下,列车动能转换为电能,牵引逆变器维持中间直流环节电压稳定,辅助系统正常运行。

牵引变流器

牵引变流器采用一体化设计方案,即牵引变流器系统将牵引变流器、水冷装置、辅助逆变器和DC 110 V充电机一体化集成在同一箱体内。牵引变流器主要由预充电回路、四象限整流器模块、牵引逆变器模块、辅助逆变器模块和充电机模块组成。四象限整流器模块与逆变器模块共用中间直流1800 V母线,2 个四象限整流器模块和 2 个牵引逆变器模块均可独立运行。辅助逆变器模块与牵引逆变器模块统型化设计,可等同替换。此外,牵引变流器还设有无火回送和充电机应急启动功能。25 kV交流电从受电弓引下后,经牵引变压器降压为AC 970 V进入牵引变流器。四象限整流器将变压器副边交流电整流为DC 1800 V,2个四象限整流器互相错开一定的相位角度,减小对电网的谐波污染。2个四象限整流器的直流输出环节并联,再经牵引逆变器逆变成电压和频率均可控制的三相交流电以驱动电机。再生制动工况时,牵引电机处于制动发电状态,通过四象限整流器向电网馈电。辅助逆变系统从中间直流环节取电,将其逆变为3AC 380 V/50 Hz,为列车中压负载供电,全列2个辅助系统采用并网控制,全列贯通 3AC 380 V母线。充电机模块将3AC 380 V整流为DC 110 V供低压负载和蓄电池组供电。

CRH6A-A/CRH6F-A型城际动车组牵引辅助变流器冷却系统由功率模块一次散热用水冷基板和外置二次冷却装置构成。冷却装置由散热器、风机、集流盒、系统管路、支撑框架、水泵、膨胀水箱(含液位传感器、液位仪、压力调节阀)、散热器进水和出水口传感器(压力传感器、温度传感器)等部件构成,冷却单元通过支撑框架安装于变流柜内。

注:1—牵引变压器;2,3—预充电回路;4,5—四象限整流器模块(4QC);6—中间直流环节电路;7,8—牵引逆变器模块(INV);9—辅助逆变系统;91—辅助逆变器模块(INV);92—辅助预充电电路;93—工频变压器(T1);94—三相交流滤波电容;10—无火回送组件(WH);11—充电机模块(CHA);12—应急启动电源模块; TA1,TA2—四象限整流器输入电流传感器;AK1,AK2—预充电接触器;TA3,TA4—斩波电流传感器;TA-M12,TA-M34—电机电流传感器;DCL—辅助输入电抗器;TA12—辅助斩波电流传感器;ACL—辅助输出电抗器;MK1—辅助输出接触器;L3—充电机进线电抗器;QF1,QF3—断路器;KWH—接触器;TV1,TV2,TV3—电压传感器;PE—接地线
内饰及旅客界面
图 / 土豆有可爱的小狼牙
海口市域铁路
图 / 土豆有可爱的小狼牙
海口市域铁路
市郊铁路S5线怀密号首乘
到bilibli查看 这是真正的CRH6041 / 2021-08-08
台州市域CRH6F-A和合号列车线路运营与乘车体验
到bilibli查看 洛洛洛洛洛洛鸽子 / 2022-08-31
萧甬铁路杭州南——宁波全区间乘坐体验
到bilibli查看 洛洛洛洛洛洛鸽子 / 2022-12-17
主要技术参数
速度
160 km/h
设计速度
160 km/h
运营速度
200 km/h
最高实验速度
外观
101.4 m
全长
3300 mm
宽度
3860 mm
车体高度
25700 mm
头车长度
25450 mm
头车车钩中心距
24500 mm
中间车车体长度
25000 mm
中间车车钩中心距
1000 mm
车钩中心高度
950 mm
中间车钩高度
动力
2M2T
编组
2576 kw
装机功率 322×8
2499 kw
轮周牵引功率
YQ-275/YJ224C
电机型号
275 kw
额定功率
322 kw
最大功率
转向架
SWMBC-160/SWTBC-160
转向架型号
16.5 t
最大轴重
17500 mm
转向架中心距
2500 mm
转向架轴距
860 mm
新轮轮径(动/拖车)
停放制动
供电
DSA200
受电弓型号
22.5 ~ 29 kV
正常运行网压
4748 / 7156 mm
落弓/最大高度
5048 ~ 6956 mm
受电弓工作高度
110 V
蓄电池电压
3NAC380V
外接电源电压
性能
-10~45
工作温度
2.88km/h/s
标定起动加速度(非实际运用情况)
3.06km/h/s
实测最大加速度
130 m
通过最小曲线半径
180 + 10 + 180 m
通过最小S型曲线半径
控制
TCN(WTB+MVB)
列车网络
CTCS2-200H/C LKJ2000
列控系统
编组和席位
4
全列编组

240
全列定员
1
Tc
ZE 48+6
2
Mp
ZE 56+10
3
Mp
ZE 56+10
4
Tc
ZE 48+6
席位及数量
208
靠背不可调的
二等座
china-emu.cn
32
折叠座
或纵向座
china-emu.cn
立席约500。 座椅不可改变朝向,无电茶炉,一个卫生间(3车)
厂商及批次
中车青岛四方机车车辆股份有限公司
1列 0211
2021年08月投运
台州市域
3列 0440~0442
2018年03月投运
绍兴市域
1列 0443
2018年04月投运
宁波市域
6列 0445~0450
首批2019年01月投运
长株潭城际
9列 0461~0467、0497~0498
首批2019年07月投运
海口市域涂装不同
3列 0468~0470
2019年12月投运
连云港市域
3列 0471~0473
2020年09月投运
阳泉阳大铁路
6列 0491~0496
首批2020年09月投运
北京城市铁路
1列 0499
2021年08月投运
台州市域
CRH6F-A(智能版)

CRH6F-A智能版列车相较于CRH6F-A进行列一系列改进,首先,列车更智能,对标复兴号智能动车组,全车厢覆盖WIFI信号,实现全场景智能化运用,提高旅客的乘坐体检,提高故障处理效率,减少司机、机械师、乘务员的工作量。增加信息显示器,更具科技感,增加全车卫生间和座位使用情况等信息提示,在每个门区新增动态地图,便于乘客了解站点信息。吊顶电视由18.5寸升级29寸LCD宽屏,实现分屏显示信息。配备智能分析主机,对乘客密度分析,引导乘客向舒适车厢移动。搭载车载PHM主机,实现故障预警判和车辆健康状态评估,提高动车组可用性。

更舒适,内装升级,采用全新座椅,优化座垫倾角,加强背部包裹感及舒适性,增加软质头枕,提升私密性及降噪性能。模块化结构设计,便于更改或维修。优化司机室空间区域,以人机工程为导向,为驾驶员提供合理化、舒适性的驾舱环境。

更经济,降低全寿命周期成本,通过优化设计和PHM系统应用,延长运用修周期,且减少近50%运用修工作量;将高级修周期从120万公里/4年逐步延长至165万公里/7.5年,大幅降低全寿命周期检修成本。性能更强,采用四方所牵引系统,加减速性能更强,在部分站距较短的线路上可以实现和时速200 km/h使用相同运行时刻。列车长度由101.4m缩短至100.5m,能够满足重联运行时长度与8辆编组列车一致,可使用相同的屏蔽门。

2021年04月01日,珠三角城际轨道交通招标采购30列CRH6型四编组动车组,其中7组为CRH6F-A。

2021年10月13日,新一代城际市域动车组亮相粤港澳生态环境青年论坛。

2023年10月26日,CRH6F-A-0667正式投入运营。

了解更多
同系列或相关车型

进行学术研究建议查阅原文内容。查看全部…

主要参考文献

其他相关文献

* M:动车;Mc:动车,控制车;Mp:动车带受电弓;T:拖车;Tc:拖车,控制车;Tp:拖车带受电弓
* ZE:二等座车;ZY:一等座车;ZS:商务座车;ZET:二等/特等座车;ZES:二等/商务座车;ZYT:一等/特等座车;ZYS:一等/商务座车;ZEC:二等座车/餐车;WR:软卧车;WE:二等卧车;WY:一等卧车;WG:高级软卧车;WRC:软卧车/餐车;CA:餐车
简要说明:
本站并非CR或者CRRC官网,内容不代表官方,不会严格执行官方命名方式/分类等,若与官方不一致,不属于错误。本站无法保证数据的准确性,亦无法保证数据的时效性。本站所有动车组萌化头像均获得著作权,未经授权不得进行未署名的转发或进行二次创作。本站目前不接受任何形式的图片、视频投稿。不得将本站内容以截图、录屏等形式用于包括但不限于抖音、快手、西瓜视频、头条等视频创作。更多内容参见关于本站

一点点不一样的

在下面可以看到更多内容…

本站已运行4324天。

用脚步丈量每一寸轨道,
用心灵享受每一段旅程

列车开往的方向并不重要,
重要的是窗外的风景和看风景的心情。
处在嘈杂的动态中,
却是静而细腻的心思。

慧伊创新 © 2014-2026